產品介紹
海藍機電專業銷售原裝三菱PLC,三菱原裝PLC模塊,價格優惠,大量現貨!服務熱線:400-8819-130、0755-88356415。
FX1N-4EX-BD|三菱PLC原裝模塊|三菱plc軟件|三菱plc編程例題|三菱plc交通燈,
三菱PLC優質應商供!專業銷售三菱CPU,三菱PLC,FX1N-4EX-BD、三菱PLC擴展模塊、FX1S、FX1N、FX2N、FX3U、FX3G、A/Q/L,三菱PLC FX1N,價格優惠,保證品質,提供免費技術咨詢!
三菱FX1N-4EX-BD輸入擴展板介紹:
1、4點輸入擴展板
2、用于FX1S,FX1N系列擴展
3、由基本單元提供電源供給
三菱FX1N-4EX-BD輸入規格:
【輸入點數】:4點
【輸入連接方式】:接線端子
【輸入模式】:漏/源
【輸入信號電壓】:DC24V +20%,-15%電源來自外部電源
【輸入電阻】:4.3K
【輸入ON信號電流】:約5mA/DC24V
【輸入OFF信號電流】:1.5mA或更少
【輸入響應時間】:約10mS
【輸入信號模式】:開路集電極晶體管或無線電壓焊點
【輸入動作顯示】:光電耦合器驅動LED點燈
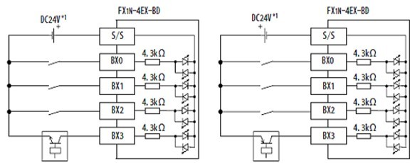
三菱FX1N-4EX-BD接線回路圖:
三菱FX1N-4EX-BD價格:面價
三菱PLC擴展模塊FX1N-4EX-BD現貨批發價格銷售!
我們的優勢:
【A】:10多年來一直專注于三菱原裝工控領域,專業代理原裝三菱plc、三菱變頻器、三菱伺服電機、三菱觸摸屏、三菱減速機、三菱機器人等原裝進口自動化產品,備有各類現貨庫存高達2000多種,100%原裝正品,假一罰十!
【B】:完善的售后服務體系,常規型號24小時內迅速發貨,物流部門本著"安全、高效、快捷”的服務理念,可滿足客戶的各類物流需求。
1、廣東省內客戶可滿足上午發貨,下午送達,下午發貨,第二天早上送達。
2、省外客戶可提供即日達、隔日達、普通快遞、物流等服務,滿足客服多樣化的需求,為您提供快捷速遞服務的同時,為您節約物流成本。
3、國外客戶可提供國際海運集裝箱拼箱運輸服務,可提供貼嘜頭、固定卡板、打木架等個性化服務。
【C】:所有產品咨詢、報價、貨期三分鐘內及時響應,公司客服及銷售人員經過嚴格的產品知識培訓,能為您提供產品選型、產品報價、產品介紹等專業的售前技術咨詢,還可提供編程軟件免費下載、編程入門、視頻教學、 技術培訓等,為您解決后顧之憂,提供一站式的優質服務。
【D】:雄厚的技術實力, 擁有專業、高效的技術團隊,所有技術人員均已通過三菱專業技術工程師的考核,可幫助客戶進行PLC程序設計、觸摸屏程序設計、伺服系統編程與調試,工程總包等,并根據您的現場需要提供技術上門支持, 省內客戶接到技術請求后3小時即可上門,為您的企業自動化插上展翅飛翔的翅膀。
【E】:專業的維修工程師團隊,365天免費保修,修復時間快、48小時內為您排憂解難,提供詳盡的維修解決方案,為您提供高效的售后維修服務。




