PLC控制交通信號燈系統設計
用PLC控制交通信號燈已經是一個老生常談的問題了,各種方式的控制系統也不斷產生。祖國的經濟社會不斷發展,城市道路建設愈發完善,各種機動、電動車輛增多,交信號燈系統也不斷得到完善和發展,這就要求其控制效率要不斷提高。基于plc的交通燈控制系統能把PLC的軟硬件系統功能強大、可靠性好,邏輯編程方法簡單,易于開發復雜控制系統、有豐富的擴展模塊和聯網能力和應用范圍十分廣泛的特點結合起來,使系統易于實現。
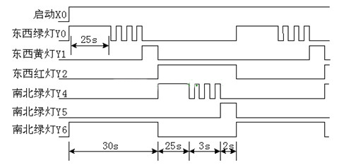
如圖1是交通燈系統啟動時,紅、綠、黃燈按一定時序輪流發亮。首先東西綠燈亮,維持25s,同時南北紅燈也亮,并維持30s,到了25s時,東西綠燈閃亮,閃亮周期為1s,閃亮3s后熄滅,東西黃燈亮,并維持2s。到2s時,東西黃燈熄、紅燈亮,同時南北紅燈熄,綠燈亮。南北綠燈亮維持25s, 東西紅燈亮維持30s。到25s時,南北綠燈閃亮3s后滅,南北黃燈亮,并維持2s。到2s時,南北黃燈熄、紅燈亮,同時東西綠燈亮,開始下一周期的動作。
圖1 十字路口交通燈示意圖
根據十字路口交通信號燈的控制要求,可作出信號燈的控制時序圖如圖2。
圖2 交通信號燈控制的時序圖
本任務是用基本指令來實現十字路口交通燈控制。這是一個時序控制過程。十字路口南北向以及東西向均設有紅、黃、綠三只信號燈,六只燈按一定的時序循環往復工作。所以本任務的關鍵是要用機內器件將信號燈狀態變化的“時間點”表示出來。分析時序圖,找出信號燈狀態發生變化的每個“時間點”,并安排相應的器件如表1所示。
表1 時間點及實現方法
一、系統的硬件設計
根據信號燈的控制要求,本任務所用的器件有:起動按鈕SB1 ,停止按鈕SB2 ,紅黃綠色信號燈各四只。
1.系統元件I/O分配表
表2 I/O分配表
2.繪制PLC硬件接線圖及硬件連接
根據I/O分配,繪制PLC硬件接線圖,如圖3所示。項目實施過程中,按照此接線圖連接硬件。注意不同型號PLC對輸入/輸出接口電路電源的要求是不同的,應根據實際情況匹配不同的電源,并根據電源選擇外部器件。
十字路口交通燈控制PLC接線圖
二、系統的軟件設計
本任務的具體實現梯形圖由讀者自行完成。
設計提示:
1.依表3-1所列器件及方式繪出各“時間點”形成所需支路。這些支路是依“時間點”的先后順序繪出。
2.以“時間點”為工作條件繪出各信號燈的輸出梯形圖。
3.為了實現交通信號燈的啟停控制,在梯形圖上增加主控環節。作為一個循環的結束,第二個循環開始控制的T7的常閉觸點也作為條件串入主控指令中。
三、系統調試運行
1.按照圖3連接好PLC的輸入和輸出;
2.輸入設計好的梯形圖,并將程序下載到PLC。
3.將PLC運行開關打到RUN,運行程序。
4.操作控制按鈕,觀察運行結果。
5.分析程序運行結果,編寫相關技術文件。
上述就是本文的PLC控制交通信號燈系統設計內容了,更多自動化知識,請關注海藍機電。如果你有關于自動化產品和技術的問題,我們很樂意為你解答。
海藍機電為你提供機器人視覺、上位機軟件、自動化開發、機電設備維修等技術服務。
深圳市海藍機電設備有限公司(www.aoquen.com)專業經營:三菱變頻器、三菱PLC、三菱觸摸屏、三菱伺服電機等工控自動化產品的批發和代理工作。
電話:0755-88356296(10線) 吳經理:13823726967
本文原創自:深圳海藍機電設備有限公司,轉載請注明出處:http://www.aoquen.com/article/872.html.
相關內容
發表評論
| 姓名: | |
| 內容: | |
| 驗證碼: |
|
1.尊重網上道德,遵守中華人民共和國的各項有關法律法規,不發表攻擊性言論。 |




評論信息